





*cena sa PDV-om
*cena bez PDV-a
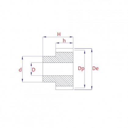
Zupčanik sa pravim zubima, sa glavčinom
2
42
90
16
20
Istočna proizvodnja
Fotografije su informativnog karaktera, greške u ceni su moguće.
Ami podrška je uvek tu za Vas. Pišite nam ili nas pozovite i rado ćemo Vam izaći u susret.

AMI d.o.o. – Distributer mašinskih elemenata od 1991. godine.
Bulevar Svetog Cara Konstantina 4. prilaz, broj 1 (Bivša Ei)
Ponedeljak - Petak
08:00 - 16:00
Subota
08:00 - 14:00
Copyright © 2025 Ami.
Izrada web prodavnice Jakov Smart Solutions